Have you ever tried to plan a project but found it difficult to visualize all the tasks and deadlines? That’s where a Gantt chart comes in handy! This tool helps you break down your project into manageable steps and track progress along the way.
Creating a Gantt chart is simple – you list the tasks, assign deadlines, and visually represent them on a timeline. This way, you can see which tasks are dependent on others and adjust your schedule accordingly. It’s a great way to stay organized and ensure you meet your project goals.
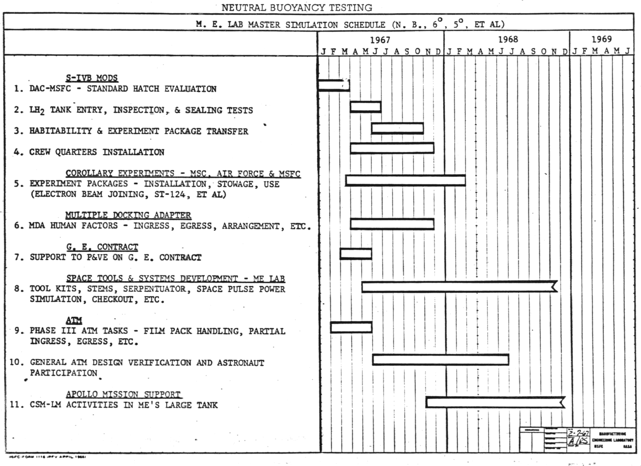
First Gantt Chart
First Gantt Chart
The first Gantt chart was created by Henry Gantt in the 1910s to help with scheduling manufacturing processes. Since then, it has become a popular tool in various industries for project management. It’s a versatile tool that can be used for any project, big or small.
With a Gantt chart, you can easily see the timeline of your project at a glance. This visibility helps you identify any potential delays or bottlenecks and take corrective action. It’s a great way to keep your team on track and ensure everyone is working towards the same goal.
Whether you’re planning a wedding, launching a new product, or organizing a company event, a Gantt chart can help you stay on top of all the moving parts. It’s a visual way to manage your project and ensure everything gets done on time. Give it a try and see the difference it can make!
In conclusion, a Gantt chart is a valuable tool for project management that can help you stay organized, track progress, and meet deadlines. By visualizing your project timeline, you can better plan and execute your tasks. So next time you have a project to tackle, consider using a Gantt chart to make your life easier!
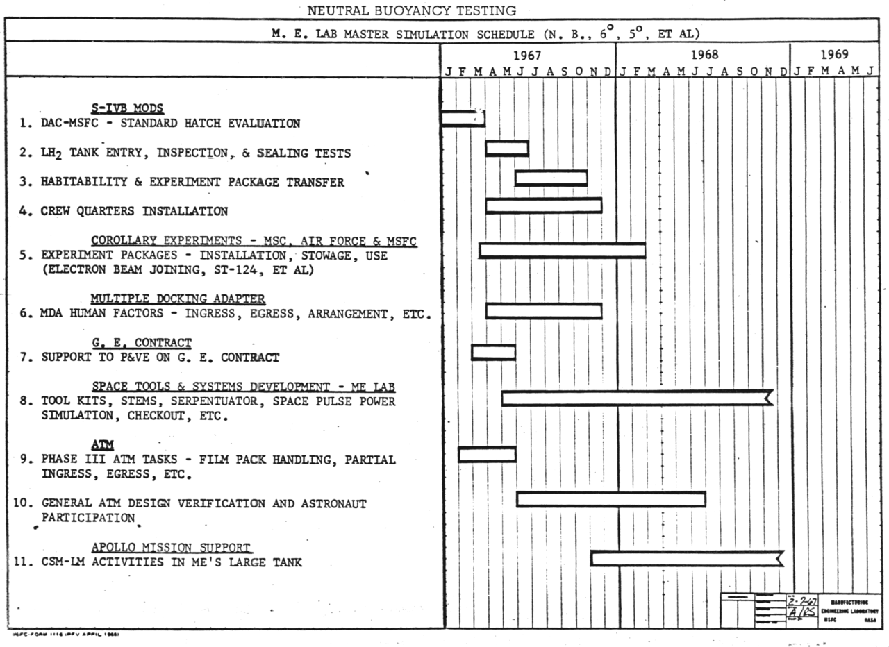
Gantt Chart History With Facts And Dates
Gantt Chart History With Facts And Dates


